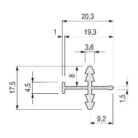
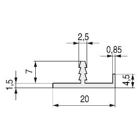
Kit guia berna plata mate 3m. a75 para puerta sp10/16.
Fuera de stock
Kit guia berna plata mate 3m. a75 para puerta sp10/16.
48,35 €
